用户名:
密码:
服务电话:13332429808/微信同号
|
关于我们
|
会员中心
|
设为收藏
镁频道
|
镁矿石
|
镁原料
|
镁制品
|
再生料
|
镁化工
|
镁合金
|
镁建材
上游
|
原辅料
|
燃料
|
设备
|
设备配件
|
窑炉工程
下游
|
钢铁
|
有色
|
水泥
|
玻璃
购销平台
|
供应
求购
招标
名录
行情信息
|
报价
统计
分析
报告
技术服务
|
专家
专利
成果
需求
技术资料
|
词典
标准
工艺
论文
国内资讯
|
动态
科技
法规
综合
国际信息
|
求购
买家
行情
资讯
会展预告
|
国际会展
国内会展
人才服务
|
企业招聘
人才应聘
本网会员及公众号服务
辽宁省非金属矿工业协会召...
2026镁砂出口新政:需按规...
企业
供应
求购
资讯
热门关键字:
后英集团
华林矿业
青花耐火
峰驰耐火
东和新材
中昊镁业
2021
2022
2023
2024
2025
2026
2027
2028
年
1
2
3
4
5
6
7
8
9
10
11
12
月
热门关键字:
镁铝碳砖
浇注料
镁砂
菱镁石
2021
2022
2023
2024
2025
2026
2027
2028
年
1
2
3
4
5
6
7
8
9
10
11
12
月
热门关键字:
氧化镁
镁砖
镁粉
金属镁
2021
2022
2023
2024
2025
2026
2027
2028
年
1
2
3
4
5
6
7
8
9
10
11
12
月
热门关键字:
电熔镁
镁合金
镁砂
镁质材料
您当前所在位置:
首页
>
镁频道
>
技术资料
>
标准
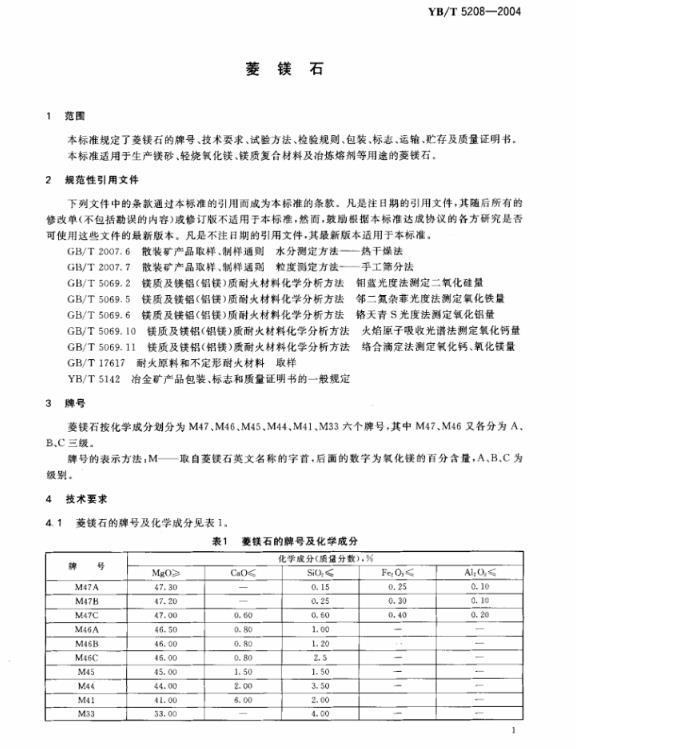
菱镁石 YB/T 5208-2004
标准号:YB/T 5208-2004 发布日期:2004-06-17 实施日期:2004-11-01
标准号:YB/T 5208-2004
发布日期:2004-06-17
实施日期:2004-11-01
【
关键词:
菱镁石
】
相关文章
无关联新闻
我要评论
验证码:
换一张校验码
网友评论仅供其表达个人想法,并不表明本网同意其观点或证实其描述。
评论区
标准
更多>>
耐火材料工业大气污染物排放标准
镁冶炼行业绿色工厂评价要求 YS/T 1682-2...
镁冶炼行业绿色工厂评价要求 YS/T 1682-2...
海水制取氢氧化镁工艺设计规范 HY/T 23...
碳含量7%~50%的碱性致密定形耐火制品分...
铝镁耐火浇注料YB/T4110-2023
绿色产品评价 耐火材料 GB/T 44333-2024
电熔镁砂 YBT 5266-2023
镁铝系耐火材料化学分析方法(二)
词典
更多>>
再生镁铝料
再生铝镁料
水镁石
镁硅砖
镁橄榄石砖
白云石
镁板
电熔镁砂
菱镁矿
论文
更多>>
多金属对废镁铬砖再生利用的影响及其机理研...
活性氧化镁从硫酸盐介质中选择性沉淀镍钴的...
高强度镁质日用瓷的性能研究
烧结镁砂煅烧竖炉内气固传热特性数值分析
纳米镁铝尖晶石粉体的制备方法
二茂铁含量对不烧镁钙系耐火材料性能的影响
K-OBM-S转炉炉底镁碳砖的损毁研究
改性磷酸钾镁水泥基涂料防火实验研究
化学组成对轻烧镁铝尖晶石结构与性能的影响
工艺
更多>>
电熔镁砂的生产工艺
提高中频炉炉衬寿命的筑炉工艺
采用这个套浇工艺,单包钢包浇注料节省5-...
铁合金矿热炉内衬耐火材料的砌筑工艺
半干法脱硫与湿法脱硫工艺选择比较
海水镁砂和卤水镁砂的生产工艺过程及原理
镁碳砖的性质及生产工艺和镁碳砖损毁的两点...
煅烧氧化镁的生产工艺流程及主要设备
水泥窑余热锅炉积灰难处理?几种清灰工艺全...
友情链接